- 產品名稱:膜片壓力表
- 產品型號:YPF系列
- 產品銘牌:SAIC
- 生產廠商:上海自動化儀表四廠
- 銷售單位:連儀
- 所屬類別:生產廠家 > 上海自動化儀表四廠 > 產品目錄 > 產品展示 > 膜片壓力表 > YPF系列膜片壓力表 >
-
YPF系列膜片壓力表概述:
精膜片壓力表適用于測量具有一定腐蝕性、非凝固或非結晶的各種流體介質的壓力或負壓。耐腐蝕性能決定于膜片材料。
YPF系列膜片壓力表概述:
精膜片壓力表適用于測量具有一定腐蝕性、非凝固或非結晶的各種流體介質的壓力或負壓。耐腐蝕性能決定于膜片材料。
膜片壓力表主要技術指標
準確度:2.5級
使用環境溫度:-40℃~+70℃;相對濕度不大于90%
-30℃~50℃的任一恒定溫度條件下使用。
溫度影響:使用環境溫度如偏離20℃±50℃時,其溫度附加誤差不大于0.04%/℃。
工作位置:垂直安裝
外殼防護等級:IP64
膜片壓力表型號表示
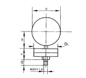
膜片壓力表標度范圍、外形尺寸及重量
| 型號 | 標度范圍 | 承壓部 尺寸D1 | 表殼外徑D | 重量 Kg | |
| YPF-100A | 0~0.06、0~0.1、0~0.16 0~0.25、0~0.4、0~0.6、 0~1、0~1.6、0~2.5、-0.1~0、-0.1~0.06、-0.1~0.15、-0.1~0.3、-0.1~0.5、-0.1~0.9、-0.1~1.5、-0.1~2.4Mpa | φ85 | Φ100 | 1.6 | |
YPF-100B YPF-100B-F | |||||
| Φ115 | |||||
| YPF-150A | φ85 | Φ150 | 1.8 | ||
YPF-150B YPF-150B-F | |||||
| Φ115 | |||||
YPF-100B YPF-100B-F | 0~1.6、0~2.5、0~4、0~6、 0~10、0~16、0~25、0~40*、-1.6~0、-2.5~0、-4~0、-6~0、-10~0、 -16~0、-25~0、-40~0* -0.8~0.8、-1.2~1.2、-2~2、-3~3、-5~5 、 -8~8、-12~12、-20~20* kPa | Φ160 | Φ100 | 2.9 | |
YPF-150B YPF-150B-F | Φ160 | Φ150 | 3.2 |
| 型號 | 名稱 | 導壓系統 | ||
| 膜片 | 法蘭接頭 | 密封 墊圈 | ||
YPF-100A 150A | 膜片壓力表 | Cr15Ni7Mo(PH15-7Mo) 316L(≤25KPa) | 丁腈橡膠 | 鑄鋁 |
YPF-100B 150B | 不銹鋼膜片壓力表 | 聚四氟乙烯 | 1Cr18Ni9 | |
YPF-100B-F 150-F′ | 法蘭不銹鋼膜片壓力表 | |||
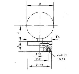
| YPF-100A | YPF-100E | YPF-100B-F | YPF-150A | YPF-150B | YPF-150B-F | |
| D | Φ100 | Φ110 | Φ110 | Φ150 | Φ160 | Φ160 |
| H | 66 | 66 | 66 | 91 | 91 | 91 |
| h | 32 | 32 | 36 | 32 | 32 | 36 |
膜片壓力表外形尺寸
YPF-100、150A/B

*0~40、-40~0,±20KPa規格承壓部尺寸D1s為φ85導壓系統及外殼等主要零件材質

膜片壓力表 使用須知
1.儀表應垂直安裝,并力求與測量點間保持同一水平位置,否則須相應地計入液位差所引起的附加誤差。
2.儀表經常使用的壓力應為其分度上限的2/3為宜。
3.儀表定期維修時如確需開啟表蓋,宜借助專用工具進行。
4.當充液儀表安裝完成后取下原有護塞,安裝上可調試護塞(已配)并將閥針上的箭頭放置在垂直面上位置。
上一篇:YPF-150A膜片壓力表
下一篇:無
相關產品:







